Can ship immediately
Due to market price fluctuations,if you need to purchase or consult the price.You can contact us or emial to us: brenda@hongda-ic.com
1. FEATURES
1. Halogen-free According to IEC 61249-2-21 Definition
2. TrenchFET® Power MOSFET
3. 100 % Rg Tested
4. Compliant to RoHS Directive 2002/95/EC
2. product Overview

3. Application
1. Load switch for portable equipment
2. DC/DC converter
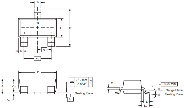
4. Pin configuration

5. Pin function
