Can ship immediately
Due to market price fluctuations,if you need to purchase or consult the price.You can contact us or emial to us: brenda@hongda-ic.com
1. Feature
1. Halogen free in accordance with IEC 61249-2-21 available
2. TrenchFET® Power MOSFET
2. Application
1. Load switch
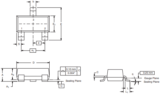
3. Pin configuration

4. Package overview
