Can ship immediately
Due to market price fluctuations,if you need to purchase or consult the price.You can contact us or emial to us: brenda@hongda-ic.com
1. FEATURES
1. Halogen-free According to IEC 61249-2-21 Available
2. TrenchFET® Power MOSFET
3. Ultra Low On-Resistance
4. Small Size
2. APPLICATIONS
1. Active Clamp Circuits in DC/DC Power Supplies
3. product Overview

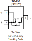
4. Pin configuration

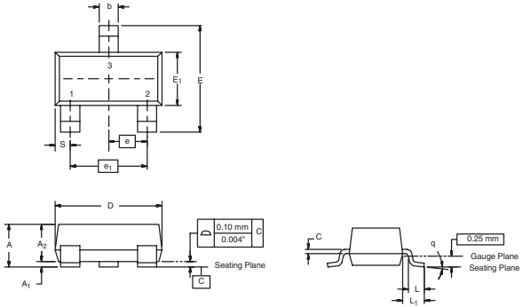
5. Pin size
