Can ship immediately
Due to market price fluctuations,if you need to purchase or consult the price.You can contact us or emial to us: brenda@hongda-ic.com
1. FEATURES
1. TrenchFET® power MOSFET
2. AEC-Q101 qualified c
3. 100 % Rg and UIS tested
4. Compliant to RoHS Directive 2002/95/EC
2. product Overview

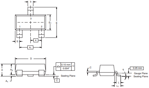
3. Package overview

4. Package Information
